| Gwint | m | s |
|---|---|---|
| M1 | 0.8 | 2.5 |
| M1.2 | 1 | 3 |
| M1.4 | 1.2 | 3 |
| M1.6 | 1.3 | 3.2 |
| M1.7 | 1.4 | 3.5 |
| M2 | 1.6 | 4 |
| M2.3 | 1.8 | 4.5 |
| M2.5 | 2 | 5 |
| M2.6 | 2 | 5 |
| M3 | 2.4 | 5.5 |
| M3.5 | 2.8 | 6 |
| M4 | 3.2 | 7 |
| M5 | 4 | 8 |
| M6 | 5 | 10 |
| M7 | 5.5 | 11 |
| M8 | 6.5 | 13 |
| M10 | 8 | 17 |
| M12 | 10 | 19 |
| M14 | 11 | 22 |
| M16 | 13 | 24 |
| M18 | 15 | 27 |
| M20 | 16 | 30 |
| M22 | 18 | 32 |
| M24 | 19 | 36 |
| M26 | 22 | 41 |
| M27 | 22 | 41 |
| M30 | 24 | 46 |
| M33 | 26 | 50 |
| M36 | 29 | 55 |
| M39 | 31 | 60 |
| M42 | 34 | 65 |
| M45 | 36 | 70 |
| M48 | 38 | 75 |
| M52 | 42 | 80 |
| M56 | 45 | 85 |
| M60 | 48 | 90 |
| M64 | 51 | 95 |
| M68 | 54 | 100 |
| M72 | 58 | 105 |
| M76 | 61 | 110 |
| M80 | 64 | 115 |
| M85 | 68 | 120 |
| M90 | 72 | 130 |
| M95 | 75 | 135 |
| M100 | 80 | 145 |
| M105 | 82 | 150 |
| M110 | 88 | 155 |
| M120 | 90 | 175 |
| h max | m min | s | |
|---|---|---|---|
| M3 | 4 | 2.4 | 5.5 |
| M4 | 5 | 2.9 | 7 |
| M5 | 5 | 3.2 | 8 |
| M6 | 6 | 4 | 10 |
| M7 | 7.5 | 4.7 | 11 |
| M8 | 8 | 5.5 | 13 |
| M10 | 10 | 6.5 | 17 |
| M12 | 12 | 8 | 19 |
| M14 | 14 | 9.5 | 22 |
| M16 | 16 | 10.5 | 24 |
| M18 | 18.5 | 13 | 27 |
| M20 | 20 | 14 | 30 |
| M22 | 22 | 15 | 32 |
| M24 | 24 | 15 | 36 |
| M27 | 27 | 17 | 41 |
| M30 | 30 | 19 | 46 |
| M33 | 33 | 22 | 50 |
| M36 | 36 | 25 | 55 |
| M39 | 39 | 27 | 60 |
| M42 | 42 | 29 | 65 |
| M45 | 45 | 32 | 70 |
| M48 | 48 | 36 | 75 |
| h max | m min | s | |
|---|---|---|---|
| M2 | 1.2 | 4 | |
| M2.5 | 1.6 | 5 | |
| M3 | 1.8 | 5.5 | |
| M3.5 | 2 | 6 | |
| M4 | 2.2 | 7 | |
| M5 | 2.7 | 8 | |
| M6 | 3.2 | 10 | |
| M8 | 4 | 13 | |
| M10 | 5 | 17 | |
| M16 | 8 | 24 | |
| M12 | 6 | 19 | |
| M14 | 7 | 22 | |
| M16 | 8 | 24 | |
| M18 | 9 | 27 | |
| M20 | 10 | 30 | |
| M22 | 11 | 32 | |
| M24 | 12 | 36 | |
| M27 | 13.5 | 41 | |
| M30 | 15 | 46 | |
| M33 | 16.5 | 50 | |
| M36 | 18 | 55 | |
| M42 | 21 | 65 | |
| M48 | 24 | 75 |
| Gwint | a | dl | m | s |
|---|---|---|---|---|
| M6 | 3 | 14 | 9 | 10 |
| M8 | 3.5 | 18 | 12 | 13 |
| M10 | 4 | 22 | 15 | 16 |
| M12 | 4 | 25 | 18 | 18 |
| M14 | 4 | 28 | 21 | 22 |
| M16 | 5 | 31 | 24 | 24 |
| M18 | 5 | 34 | 27 | 27 |
| M20 | 6 | 37 | 30 | 30 |
| M22 | 6 | 40 | 33 | 32 |
| M24 | 6 | 45 | 36 | 36 |
| M27 | 7 | 50 | 40 | 41 |
| M30 | 8 | 58 | 45 | 46 |
| M36 | 10 | 68 | 54 | 55 |
| M42 | 12 | 80 | 63 | 65 |
| Gwint | de max | m | n min | s | w max | spolit pin |
|---|---|---|---|---|---|---|
| M8 | 9.5 | 2.5 | 13 | 6.5 | ||
| M10 | 12 | 2.8 | 17 | 8 | 2.5 x 20 | |
| M12 | 16 | 15 | 3.5 | 19 | 10 | 3.2 x 22 |
| M14 | 18 | 16 | 3.5 | 22 | 11 | 3.2 x 25 |
| M16 | 22 | 19 | 4.5 | 24 | 13 | |
| M18 | 25 | 21 | 4.5 | 27 | 15 | |
| M20 | 28 | 22 | 4.5 | 30 | 16 | |
| M22 | 32 | 26 | 5.5 | 32 | 18 | |
| M24 | 34 | 27 | 5.5 | 36 | 19 | |
| M26 | 38 | 30 | 5.5 | 41 | 22 | |
| M27 | 38 | 30 | 5.5 | 41 | 22 | |
| M28 | 38 | 30 | 5.5 | 41 | 22 | |
| M30 | 42 | 33 | 7 | 46 | 24 | |
| M32 | 46 | 35 | 7 | 50 | 26 | |
| M33 | 46 | 35 | 7 | 50 | 26 | 6.3 x 56 |
| M36 | 50 | 38 | 7 | 55 | 29 | 6.3 x 63 |
| M39 | 55 | 40 | 7 | 60 | 31 | 6.3 x 71 |
| Gwint | m | s |
|---|---|---|
| M6 | 18 | 10 |
| M8 | 24 | 13 |
| M10 | 30 | 17 |
| M12 | 36 | 19 |
| M16 | 48 | 24 |
| M20 | 60 | 30 |
| M24 | 72 | 36 |
| M30 | 90 | 46 |
| Gwint | dc max | m max | s |
|---|---|---|---|
| M4 | 10 | 4.65 | 7 |
| M5 | 11.5 | 5 | 8 |
| M6 | 14.2 | 6 | 10 |
| M8 | 17.9 | 8 | 13 |
| M10 | 21.8 | 10 | 15 |
| M12 | 26 | 12 | 18 |
| M16 | 34.5 | 16 | 24 |
| M20 | 42.8 | 20 | 30 |
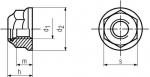
| d1 | d2 max | h max | m | s |
|---|---|---|---|---|
| M5 | 11.8 | 7.1 | 4.7 | 8 |
| M6 | 14.2 | 9.1 | 5.7 | 10 |
| M8 | 17.9 | 11.1 | 7.6 | 13 |
| M10 | 21.8 | 13.5 | 9.6 | 15 |
| M12 | 26 | 16.1 | 11.6 | 18 |
| M16 | 34.5 | 20.3 | 21 | 22 |
| d1 | d2 max | h max | m | s |
|---|---|---|---|---|
| M5 | 11.8 | 7.1 | 4.7 | 8 |
| M6 | 14,2 | 9.1 | 5.7 | 10 |
| M8 | 17.9 | 11.1 | 7.6 | 6.5 |
| M10 | 21.8 | 13.5 | 9.6 | 15 |
| M12 | 26.0 | 16.1 | 11.6 | 18 |
| M16 | 34.5 | 20.3 | 15.3 | 24 |
| Gwint | m | s |
|---|---|---|
| M6 | 18 | 10 |
| M8 | 24 | 13 |
| M10 | 30 | 17 |
| M12 | 36 | 19 |
| M16 | 48 | 24 |
| M20 | 60 | 30 |
| M24 | 72 | 36 |
| M30 | 90 | 46 |
| Gwint | m | s |
|---|---|---|
| M6 | 18 | 10 |
| M8 | 24 | 13 |
| M10 | 30 | 17 |
| M12 | 36 | 19 |
| M16 | 48 | 24 |
| M20 | 60 | 30 |
| M24 | 72 | 36 |
| M30 | 90 | 46 |
| Gwint | m | s |
|---|---|---|
| M6 | 18 | 10 |
| M8 | 24 | 13 |
| M10 | 30 | 17 |
| M12 | 36 | 19 |
| M16 | 48 | 24 |
| M20 | 60 | 30 |
| M24 | 72 | 36 |
| M30 | 90 | 46 |
| Gwint | m | s |
|---|---|---|
| M6 | 18 | 10 |
| M8 | 24 | 13 |
| M10 | 30 | 17 |
| M12 | 36 | 19 |
| M16 | 48 | 24 |
| M20 | 60 | 30 |
| M24 | 72 | 36 |
| M30 | 90 | 46 |